생산
메탄 검출용 BTF 1653nm 40mW 레이저 다이오드
  • 메탄 검출용 BTF 1653nm 40mW 레이저 다이오드메탄 검출용 BTF 1653nm 40mW 레이저 다이오드
  • 메탄 검출용 BTF 1653nm 40mW 레이저 다이오드메탄 검출용 BTF 1653nm 40mW 레이저 다이오드
  • 메탄 검출용 BTF 1653nm 40mW 레이저 다이오드메탄 검출용 BTF 1653nm 40mW 레이저 다이오드
  • 메탄 검출용 BTF 1653nm 40mW 레이저 다이오드메탄 검출용 BTF 1653nm 40mW 레이저 다이오드

메탄 검출용 BTF 1653nm 40mW 레이저 다이오드

Высококачественный лазер Box Optronics Лазерный диод BTF 1653 нм 40 мВт для обнаружения метана использует планарную конструкцию с кристаллом на подложке. Мощный кристалл герметично запечатан в 14-выводной корпус типа «бабочка» без эпоксидной смолы и флюса и оснащен термистором, термоэлектрическим охладителем и контрольным диодом для обеспечения высокого качества лазерной генерации. Наши лазерные изделия сертифицированы по стандарту Telcordia GR-468 и соответствуют директивам RoHS.

Введение:


Высококачественный лазер Box Optronics Лазерный диод BTF 1653 нм 40 мВт для обнаружения метана имеет планарную конструкцию с внутренним светоизлучающим элементом, установленным на подложке. Его основные компоненты выполнены в 14-выводном корпусе типа «бабочка», что исключает необходимость использования традиционных клеев и припоев. Он также включает в себя датчик температуры, полупроводниковый регулятор температуры и элементы измерения интенсивности излучения для обеспечения стабильного и надежного лазерного излучения. Производственный процесс соответствует стандартам надежности для коммуникационного оборудования, а все материалы соответствуют международным экологическим требованиям.

 

특징:


● Стандартный 14-выводной корпус типа «бабочка»;

● 내장 열전 변환기(TEC) 및 광 아이솔레이터;

● l다중양자우물(MCW) 기반의 고성능 분산 피드백(DFB) 레이저.


Области применения:


● Производственные испытания пассивных компонентов для обнаружения газа;

● l광섬유 가스 감지 시스템;

● l레이저 소스.


전기광학 특성(T=25℃):


Параметр

Символ

상태

Мин.

Тип.

최대.

Единица

Центральная длина волны

LC

TL=15~35℃ CW

1652.7

1653.7

1654.7

nm

광 출력 전력

후에

CW

-

40

-

mW

레이저 다이오드 임계값 전류

ITH

CW

-

15

40

엄마

Прямой ток лазерного диода

만약에

Pf =Номинальная мощность

-

300

400

엄마

Оптическая изоляция

-

-10 < 기온 < +70℃

30

-

-

dB

Коэффициент подавления боковых мод

SMSR

CW

35

40

-

dB

모니터 감도

Im /Pf

-

-

1

20

uA/mW

감도 안정성 모니터링

-

-

-

-

20%

-

암전류 모니터링

Id

VPD=5V

-

-

50

nA

열전 커패시터 전류(TEC)

아이텍

T케이스 =75℃

-

-

2

A

Напряжение термоэлектрического конденсатора (ТЭК)

VTEC

T케이스 =75℃

-

-

3.5

V

열전콘덴서(TEC)의 소비전력

P

온도 =25℃

-

-

5

W

Сопротивление термистора

Rth

T케이스 =75℃

9.5

10

10.5

Kohm

Константа термистора B

B번째

온도 =25℃

-

3900

-

K

Дрейф длины волны (EOL)

△ λ

Протестировано в течение25лет

-

-

±0.1

nm

Температурный коэффициент волны

DL/Dt

Температура ТЭО от15℃ до35℃

-

0.09

-

nm/℃

Коэффициент длины волны тока

DL/DI

-

-

0.01

-

NM/에



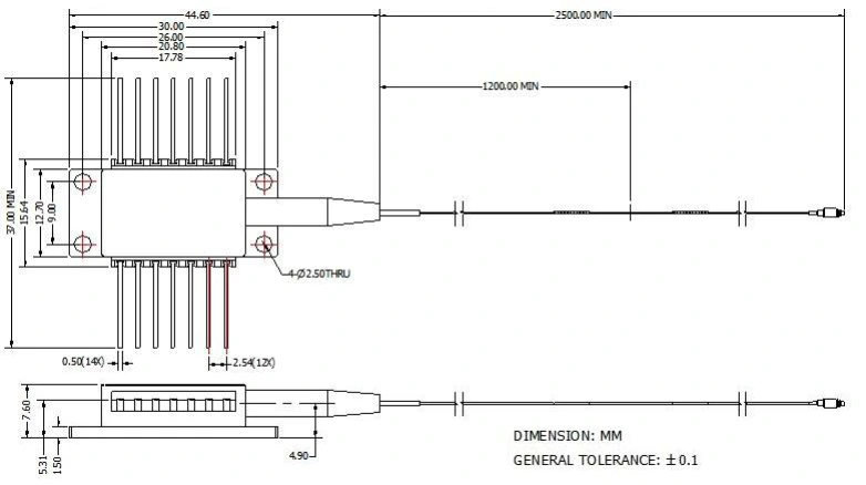
Чертеж упаковки и определение выводов (единица измерения: мм):



Доставка, транспортировка и обслуживание


모든 제품은 배송 전에 테스트를 거칩니다.

모든 제품에는 1~3년 보증이 제공됩니다(보증 기간이 만료된 후에는 서비스 요금이 부과됩니다).

Мы ценим ваше сотрудничество и предлагаем возможность мгновенного возврата в течение 7 дней (7 дней после получения товара).

Если товар, приобретенный в нашем магазине, не соответствует требованиям качества, то есть не соответствует спецификациям производителя, просто верните его нам для замены или возврата средств.

상품에 하자가 있는 경우 배송일로부터 3일 이내에 연락주시기 바랍니다.

Для возврата средств или замены товар должен быть возвращен в исходном состоянии.

구매자는 모든 배송 비용을 책임집니다..

  

자주 묻는 질문


В: Какова точность измерения длины волны?

A: +/-0.5 nm.


Q: 다른 전원 출력 옵션이 있습니까?

답변: 10mW, 15mW, 50mW.



핫 태그:
문의 보내기
연락처 정보
문장이나 협력에 대해 궁금한 점이 있으면 이메일을 보내거나 다음 요청 양식을 사용하십시오. 우리의 거래 담당자는 24 시간 이내에 연락 할 것입니다.
X
We use cookies to offer you a better browsing experience, analyze site traffic and personalize content. By using this site, you agree to our use of cookies. Privacy Policy
Reject Accept